您好,欢迎来到淄博沃森测控科技有限公司!
技术分享
jishufenxiang

联系我们

CONTACT US

咨询热线:0533-3571086
微信咨询:13953341631
QQ咨询:2742148107
公司地址:淄博市高新区政通路135号

当前所在位置:首页 >> 技术分享
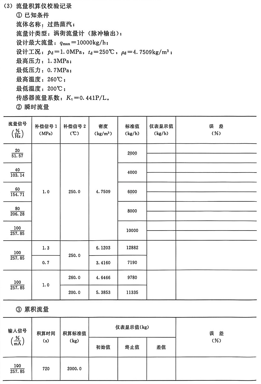
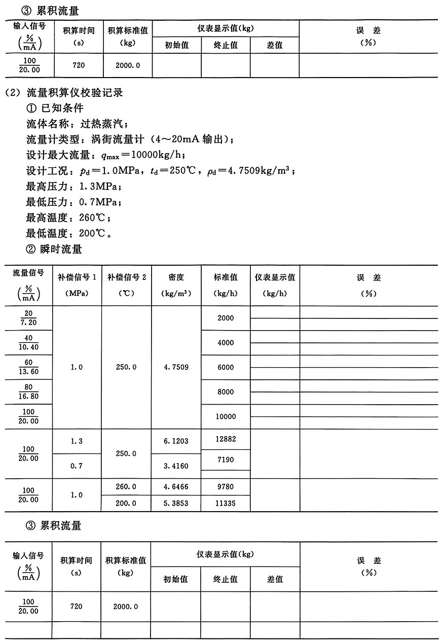
流量显示仪表校验记录示例
发布时间:2026-02-06 09:07:30| 浏览次数:

1.jpg

2.jpg

3.jpg

4.jpg

 
附件下载
 上一篇:流量演算器的检查与校验(一)-2
 下一篇:可膨胀性系数的自动校正

版权所有   淄博沃森测控科技有限公司   技术支持   创世网络  工信部备案号:鲁ICP备16040553号-1,公安部网站备案号:37039002000339